广东汇思德自动化科技有限公司-专注环形导轨研发、设计、生产及应用的高新技术企业
中文 中文版 English ENGLISH  咨询热线:18928327352
微信咨询
微信咨询
服务热线热线:

18928327352

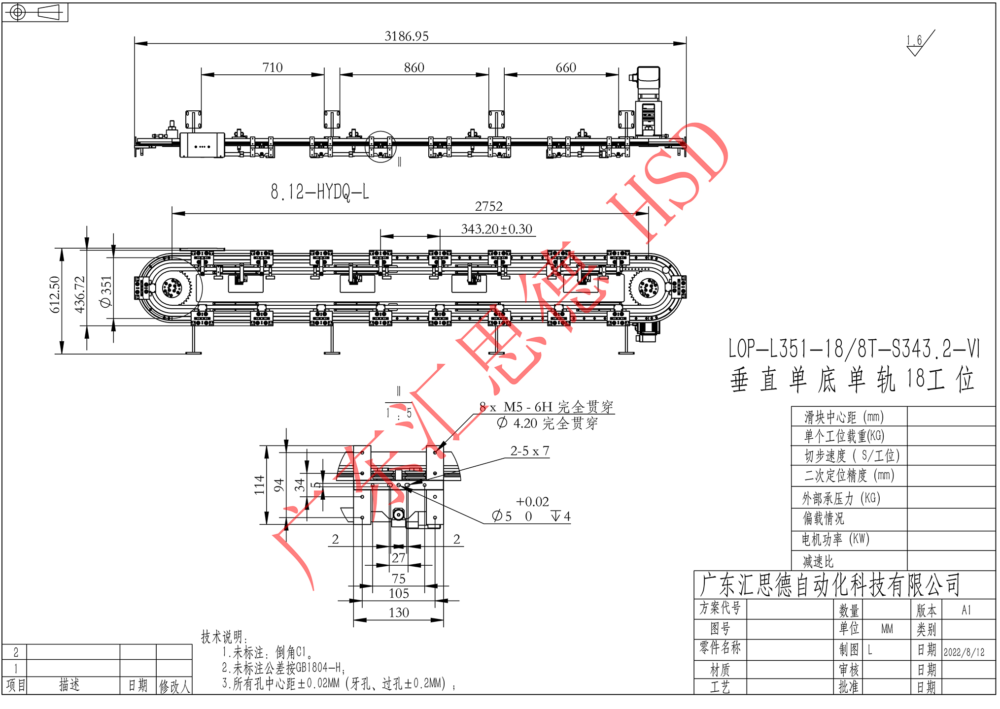
  • 立式环形导轨输送线18工位8定位单轨循环线模型

  • 立式环形导轨输送线18工位8定位单轨循环线模型

  • 立式环形导轨输送线18工位8定位单轨循环线模型

  • 立式环形导轨输送线18工位8定位单轨循环线模型

立式环形导轨输送线18工位8定位单轨循环线模型
输送线形状:椭圆形
结构方式:底板基座
传动方式:链条传动
导轨系列:25系列
圆弧直径:351mm
安装方式:立式安装
适用负载:轻载
所属品牌:HSD(汇思德)
模型库分类:立式单底单轨环形导轨输送线
服务热线

18928327352

立即咨询
详细介绍

立式环形导轨输送线,18工位8定位,工位间距343.2mm,351mm直径圆弧导轨,12A链条传动,750W伺服电机,重复定位精度±0.05mm,立式环形导轨输送系统单工位滑座最大负载 15 kg,立式单轨环形导轨循环线解决方案3D模型。

立式环形导轨输送线18工位8定位单轨循环线模型(图1)

立式环形导轨输送线18工位8定位单轨循环线模型(图2)

立式环形导轨输送线18工位8定位单轨循环线模型(图3)

立式环形导轨输送线18工位8定位单轨循环线模型(图4)



上一篇:暂无

返回列表

下一篇:暂无


在线留言

ONLINE MESSAGE

留言框

  • 咨询主题:

  • 您的单位:

  • 您的姓名:

  • 联系电话:

  • 常用邮箱:

  • 省份:

  • 详细地址:

  • 留言内容:

  • 验证码: