项目整体说明:
椭圆皮带-底板摆臂
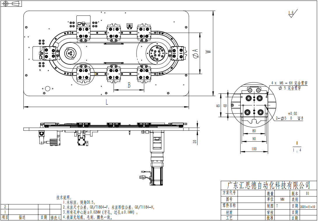
环形导轨厂家本项目采用HSD自研自产的V型轨道及配套GMP系列产品,项目精度高,运行速度快,噪音低;项目采用底板作为安装基准,线体总长度小于2.5米时,往往采用一块整板作为安装底板,超出2.5米后,会采用分板的模式进行拼接安装。汇思德采用的同步皮带为AT10钢帘皮带,带宽25mm,目前有仿形齿连接方式和皮带扣连接方式,钢帘皮带抗拉能力强,不易扯断,同步性好,精度高。可在任意工位设计二次定位机构,使项目线体的重复定位精度小于等于±0.05mm,此项目二次定位机构为气缸摆臂式定位机构,可选用在线体的内侧或者外侧进行安装。项目采用750W伺服电机,斜齿行星减速机,控制便利,扭力输出稳定可靠。此线体适用于承重较小,速度较快的项目当中。
主要特点:
a、 一致性高,底板安装为基准,精度保障,便于装调;
b、 整体运输,结实耐用;
c、 安静、高速;
d、 钢帘皮带的应用,克服了此前皮带容易断裂受伤的缺点;
e、 气缸摆臂式定位,确保滑座重复定位精度的有效性;
f、 环轨适用(φA):φ255、φ300、φ351、φ400、φ468、φ500、φ600
应用场景:
3C小家电、医疗器械生产、化妆品、日化、电工等

广东汇思德自动化科技有限公司是一家专注研发、生产与应用环形导轨精密循环传动产品的科技型公司,我们拥有健全的技术支持体系,丰富的项目管理经验,强大的方案解决能力,卓越的项目工程研发、设计、安装服务团队,籍以此来满足各个行业对自动化应用的需求。
精密循环传动产品应用对降低成本,提高效率,提升品质,提供了完美的解决方案,是实现各个行业自动化流水线生产的母机。诸如产品包装、精密组装、电子产品、医疗器械、新能源、焊接、检测、等工业自动化行业。
我们的使命是:为客户提供优质的产品,为客户创造更大的价值,为智能制造提供更加多元化的产品。
我们的愿景是: 创办一家充满活力,体现价值,受人尊敬,持续健康发展的企业,创造中国循环传动产品的国际品牌,为人类的文明发展做出贡献!
汇思德科技专注精密循环线!汇思德科技让科技更温暖!